收藏本站| 采购流程| 网站地图

博厚-中国,欢迎光临博厚电机官方网站!

东莞市博厚电机有限公司

博厚电机(BH MOTOR)微特电机及解决方案供应商

博厚电机微信
深耕电机行业领域万千客户信赖之选 13829170860
首页图(步进电机)

热门关键词: 24BYJ28 24BYJ48 35BYJ26 35BYJ46

咨询热线

13829170860
  • 左右摇摆步进电机
  • 左右摇摆步进电机
  • 左右摇摆步进电机
  • 左右摇摆步进电机
左右摇摆步进电机24BYJ48

步进电机的核心特点:

1.耐高低温-40°C~140°C.寿命1万小时以上.

2.噪音低至40分贝内.

3.抗干扰,不受外界因素影响丢步.

4.低速转动1分钟转动1~40圈.

全国热线

13829170860

产品简介 / Introduction

步进电机应用于安防监控、办公自动化设备、金融支付设备、舞台灯具、智能家电、卫生洁具、纺织器械、机器人等需要精准定位,自动瞄准与自动记录等自动化监控领域。

电压、电阻、线长、轴长(扁位)、减速比、端子按需定制,来图打样

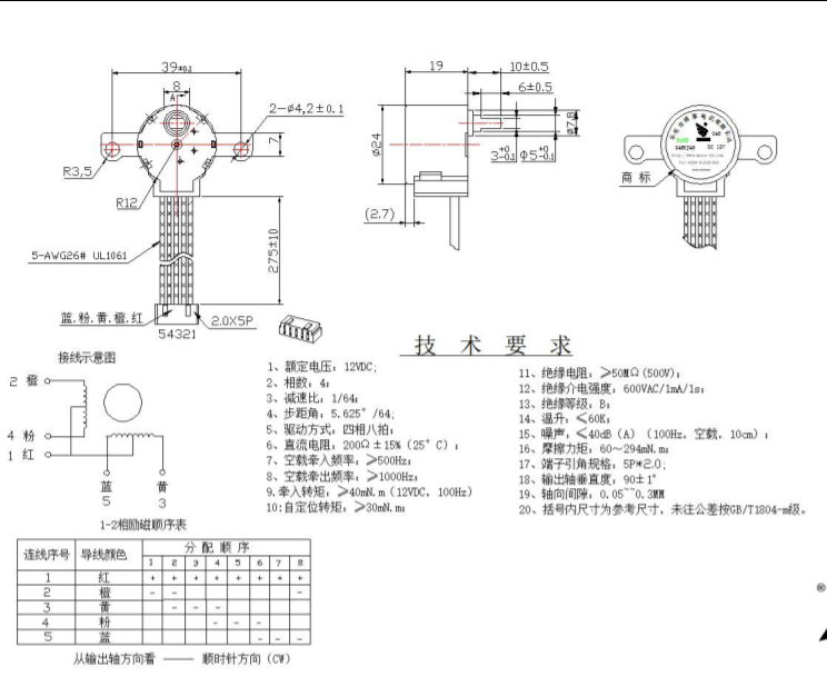
步进电机参数表

24byj48

智能马桶电机

步进电机参数表

1.型号:BH-24BYJ48-046
2.额定电压:马达端子电压:12. OV DC
3.相数:4相
4.驱动方式:1-2相励磁单极驱动
5.步距角:5.625° /64 (输出轴),减速比1/64
6.电阻:200Ω±15%/相  25°C
7.最大空载牵出频率:≥1000 pps
8.最大空载牵入频率:≥500 pps
9.牵入转矩:40mN.m/5VDC 100 Hz
10.绝缘电阻:在引接线和外壳之间施加500VDC, 测得绝缘电阻大于100MΩ。
11.重量:28g
12.噪音:电机在12VDC/ 100Hz条件下空载运行,距电机10cm处测得噪音值不大于40dB
13.耐湿测试:电机在温度为40°C,相对湿度为90% ~ 95%的环境中置放48小时,然后取出在常温下置放30分钟
14.耐高温试验:电机在温度为80°C, 相对湿度为90%~ 100%的环境中置放48小时,然后取出在常温下置放30分钟
15.冲击或跌落试验:电机在X,Y, Z三个方向分别承受80g的冲击力各1次; 或电机在装箱状态下,从75cm高处,以X,Y,Z三个方向各跌落一次, 电机应正常
16.寿命测试:电机在12VDC 100 Hz,10mN. cm的负荷状态下,经过3000小时90° 正反方向旋转,电机应满足要求,盐雾试验8小时.
17.使用条件:温度 -10°C~45°C .相对湿度: 35%~85%
18.马达低温使用环境温度根据油的性能而定,常规油可以-20°到120° 工作,低温油可以-40° -140° (参考)
热品推荐 / Hot product
马桶分水阀电机BH-35BYJ46-016

马桶分水阀电机BH-35BYJ46-016

BYJ步进电机的特点:1.耐高低温-40°C~140°C.寿命1万小时以上.2.噪音低至40分贝内.3.抗干扰,不受外界因素影响丢步.4.低速转动1分钟转动1~40圈.
空气净化器电机BH-24BYJ48-919

空气净化器电机BH-24BYJ48-919

BYJ步进电机的特点:1.耐高低温-40°C~140°C.寿命1万小时以上.2.噪音低至40分贝内.3.抗干扰,不受外界因素影响丢步.4.低速转动1分钟转动1~40圈.
吹风机减速步进电机BH-24BYJ48-036B

吹风机减速步进电机BH-24BYJ48-036B

BYJ步进电机的特点:1.耐高低温-40°C~140°C.寿命1万小时以上.2.噪音低至40分贝内.3.抗干扰,不受外界因素影响丢步.4.低速转动1分钟转动1~40圈.
雷达检测仪电机BH-24BYJ48-311B

雷达检测仪电机BH-24BYJ48-311B

BYJ步进电机的特点:1.耐高低温-40°C~140°C.寿命1万小时以上.2.噪音低至40分贝内.3.抗干扰,不受外界因素影响丢步.4.低速转动1分钟转动1~40圈.

联系方式

  • 东莞市博厚电机有限公司  版权所有
  • 地址:东莞市松山湖高新区中科创新广场A栋6层
    工厂地址: 东莞市横沥镇长田路16号长田工业园1栋
  • 全国服务热线:13829170860  传真:(0769) 8218 1380
  • 总机:0769-82181380  QQ :1057079527
  • 邮箱:Boshun8@solenoid-bs.com

二维码

  • 博厚电机微信微信在线咨询