收藏本站| 采购流程| 网站地图

博厚-中国,欢迎光临博厚电机官方网站!

东莞市博厚电机有限公司

博厚电机(BH MOTOR)微特电机及解决方案供应商

博厚电机微信
深耕电机行业领域万千客户信赖之选 13829170860
3

咨询热线

13829170860
  • BH24BYJ48-117转页扇步进电机
  • BH24BYJ48-117转页扇步进电机
  • BH24BYJ48-117转页扇步进电机
  • BH24BYJ48-117转页扇步进电机
BH24BYJ48-117转页扇步进电机

电机产品广泛应用于智能家电、卫生洁具、安防设备、办公设备、舞台灯具、纺织机械、机器人、包装机械等需要定位,自动瞄准与自动记录等自动化控制领域。

全国热线

13829170860

产品简介 / Introduction
组装流程ASSEMBLY PROCESS

参考特性REFERENCE CHARACTERISTICS

BH24BYJ48-089 (2)

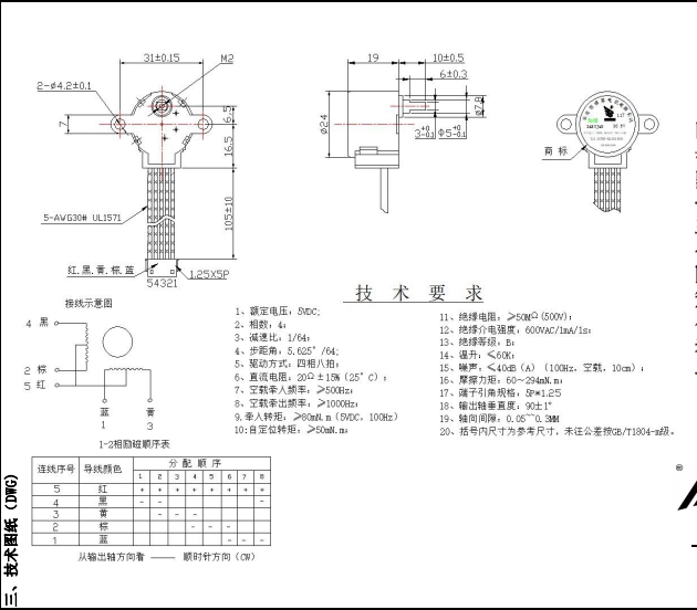
外观图OUTLINE

BH24BYJ48-089

应用场景 APPLICATION SCENARIOS

timg

合作客户    PARTNER

博厚合作客户


热品推荐 / Hot product
24BYJ28-两箱四线步进电机

24BYJ28-两箱四线步进电机

步进电机的核心特点:1.耐高低温-40°C~140°C.寿命1万小时以上.2.噪音低至40分贝内.3.抗干扰,不受外界因素影响丢步.4.低速转动1分钟转动1~40圈.
24BYJ48-12V五线步进电机

24BYJ48-12V五线步进电机

步进电机的核心特点:1.耐高低温-40°C~140°C.寿命1万小时以上.2.噪音低至40分贝内.3.抗干扰,不受外界因素影响丢步.4.低速转动1分钟转动1~40圈.
24BYJ48-5V减速步进电机

24BYJ48-5V减速步进电机

减速步进电机的核心特点:1.耐高低温-40°C~140°C.寿命1万小时以上.2.噪音低至40分贝内.3.抗干扰,不受外界因素影响丢步.4.低速转动1分钟转动1~40圈.
24BYJ48步进电机-非标定制厂家

24BYJ48步进电机-非标定制厂家

步进电机的核心特点:1.耐高低温-40°C~140°C.寿命1万小时以上.2.噪音低至40分贝内.3.抗干扰,不受外界因素影响丢步.4.低速转动1分钟转动1~40圈.

联系方式

  • 东莞市博厚电机有限公司  版权所有
  • 地址:东莞市松山湖高新区中科创新广场A栋4层
    工厂地址: 东莞市横沥镇长田路16号长田工业园1栋
  • 全国服务热线:13829170860  传真:(0769) 8218 1380
  • 总机:0769-82181380  QQ :1057079527
  • 邮箱:Boshun8@solenoid-bs.com

二维码

  • 博厚电机微信微信在线咨询